생활공공기관
도구
- 스마트폰,태블릿 화면크기비교
- 양쪽 윈도우키를 한영한자키로(AutoHotKey)
- 매크로: Robotask Lite
- 파일이름변경: ReNamer Lite
- 파일압축: 반디집
- 공공서식 한글(HWP편집가능, 개인비영리)
- 오피스: 리브레오피스(LibreOffice)
- 텍스트뷰어: 이지뷰어
- PDF: FoxIt리더, ezPDF에디터
- 수학풀이: 울프램 알파 ( WolframAlpha )
- 수치해석: 셈툴, MathFreeOn
- 계산기: Microsoft Mathematics 4.0
- 동영상: 팟플레이어
- 영상음악파일변환: 샤나인코더
- 이미지: 포토웍스
- 이미지: FastStone Photo Resizer
- 화면갈무리: 픽픽
- 이미지 편집: Paint.NET, Krita
- 이미지 뷰어: 꿀뷰
- 국립중앙도서관 소장자료 검색
- KS국가표준인증종합정보센터
- 대한무역투자진흥공사(KOTRA) 해외시장뉴스
- 엔팩스(인터넷팩스발송)
- 구글 드라이브(문서도구)
- MS 원드라이브(SkyDrive)
- 네이버 N드라이브
- Box.com (舊 Box.net)
- Dropbox
- 구글 달력
- 모니터/모바일 픽셀 피치 계산
- Intel CPU, 칩셋 정보
- MS윈도우 기본 단축키
- 램디스크
- 초고해상도 관련
- 게임중독
- 표준시각
- 전기요금표/ 한전 사이버지점
- HWP/한컴오피스 뷰어
- 인터넷 속도측정(한국정보화진흥원)
- IT 용어사전
- 우편번호찾기
- 도로명주소 안내, 변환
- TED 강연(네이버, 한글)
- 플라톤아카데미TV
- 세바시
- 명견만리플러스
- 동아사이언스(과학동아)
- 과학동아 라이브러리
- 사이언스타임즈
- 과학잡지 표지 설명기사
- 칸아카데미
- KOCW (한국 오픈 코스웨어) 공개강의
- 네이버 SW 자료실
- 네이버 SW자료실, 기업용 Free
- 계산기
공공데이터베이스
PC Geek's
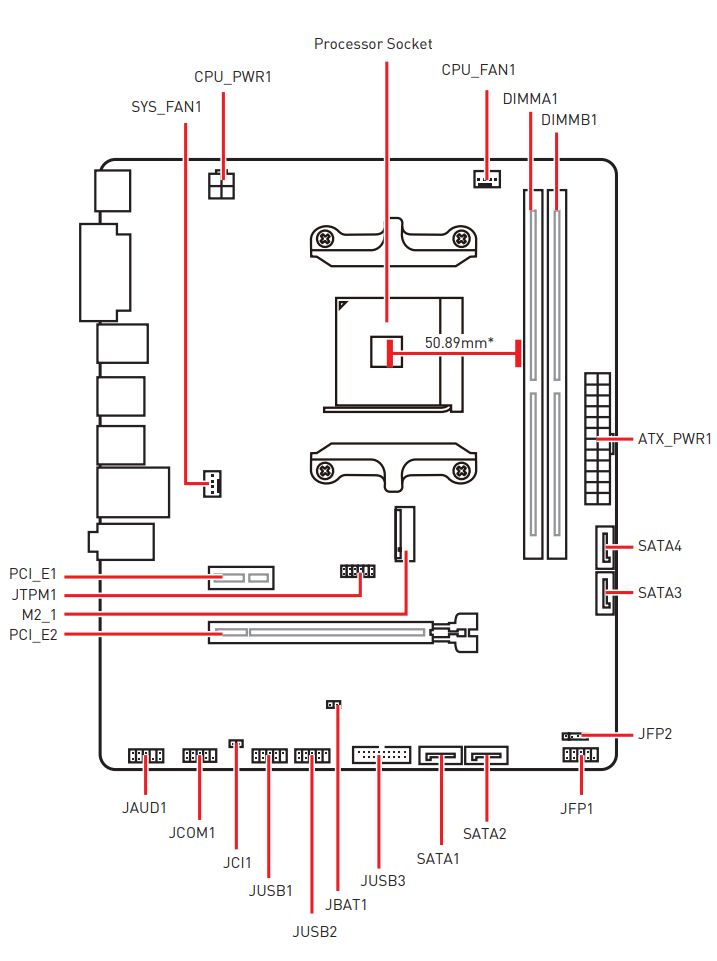
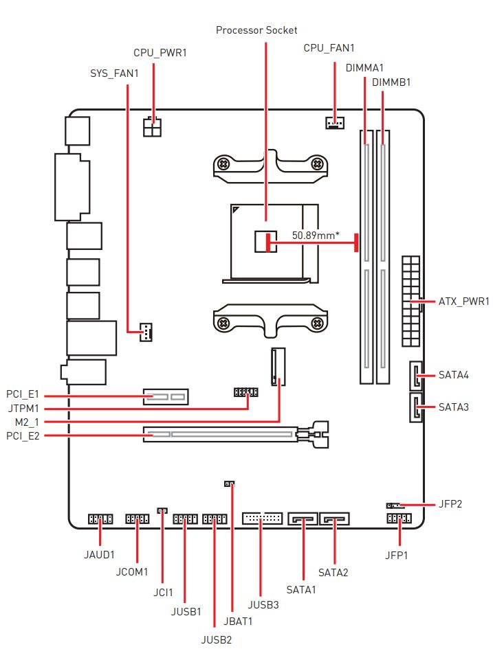
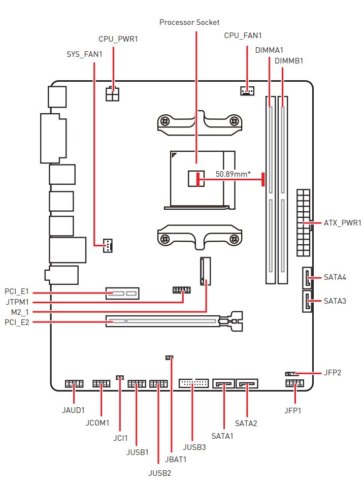
MSI A520M-A PRO 메인보드 제품정보 본문
저가형 조립컴퓨터에 들어가는 보드 두 번째.
이것은 그래도 HDMI, DVI 단자를 가지고 있다. 이건 다른 저가조립품 메인보드가 MHDMI + RGB구성인 것에 비하면 좋은 장점.
다나와 가격정렬 https://prod.danawa.com/info/?pcode=12067598
특징으로는 메모리 오버클럭을 위한 XMP라는 기능이 있다는데, 쓸 수 있는 메모리 종류가 정해져있다고. 다나와 도움말에 따르면, 호환메모리는 인텔 사이트에 있다나...
PCIe 슬롯이 16x 1개, 1x 1개다(1x 슬롯을 쓸 일이 많지는 않지만).
램슬롯은 저가형답게 2개고,
SATA3 4개, M2 1개
DC팬 속도조절은 지원하지 않는다. PWM팬만 속도조절 지원 이것은 보통 전혀 문제가 안 된다. 하지만 집에 남는 팬(특히 대형 팬)이 있어 쓰고자 할 때는 있는 게 낫다.
시리얼포트용 단자가 있다.
USB단자는 백패널에도, 내부에도 넉넉한 편.

https://www.msi.com/Motherboard/A520M-A-PRO
MSI A520M-A PRO Motherboard (AMD Ryzen 3000 3rd Gen AM4, DDR4, M.2, USB 3.2 Gen 1, HDMI, Micro ATX)
Powered by AMD Ryzen AM4 processors, the MSI A520M-A PRO combines stable functionality and high-quality assembly to solve professional workflows. Core boost, DDR4 boost with A-XMP. Turbo M.2 grants you access to the latest peripheral connectivity standar
www.msi.com









'컴퓨터 부품별 > 보드,램,칩셋' 카테고리의 다른 글
| DDR5 디램가격에 대한 글 하나 (0) | 2024.09.15 |
|---|---|
| NVMe SSD를 꽂아 쓸 어댑터 생각, PCIe Gen ? 인터페이스규격과 전송속도한계에 대해 찾아본 것 (0) | 2024.09.08 |
| GIGABYTE A520M K V2 메인보드 정보 (0) | 2024.09.05 |
| MSI A520M PRO 메인보드 (현재 단종) 제품정보 (0) | 2024.09.04 |
| 메인보드(컴퓨터 부품) 냉각팬 핀 자동인식기능 (0) | 2024.07.10 |
| TPM 2.0 칩에 대해 찾아본 것. MSI 메인보드 (0) | 2024.04.03 |
| 요즘 메인보드에는 버튼형 전지 전압을 측정하는 기능은 있나요? (0) | 2022.01.23 |
| 메인보드 CMOS셋업의 SATA Hot Plug 옵션 (0) | 2022.01.11 |
|
Viewed Posts
|
|
Recent Posts
|
