생활공공기관
도구
- 스마트폰,태블릿 화면크기비교
- 양쪽 윈도우키를 한영한자키로(AutoHotKey)
- 매크로: Robotask Lite
- 파일이름변경: ReNamer Lite
- 파일압축: 반디집
- 공공서식 한글(HWP편집가능, 개인비영리)
- 오피스: 리브레오피스(LibreOffice)
- 텍스트뷰어: 이지뷰어
- PDF: FoxIt리더, ezPDF에디터
- 수학풀이: 울프램 알파 ( WolframAlpha )
- 수치해석: 셈툴, MathFreeOn
- 계산기: Microsoft Mathematics 4.0
- 동영상: 팟플레이어
- 영상음악파일변환: 샤나인코더
- 이미지: 포토웍스
- 이미지: FastStone Photo Resizer
- 화면갈무리: 픽픽
- 이미지 편집: Paint.NET, Krita
- 이미지 뷰어: 꿀뷰
Link
- 국립중앙도서관 소장자료 검색
- KS국가표준인증종합정보센터
- 대한무역투자진흥공사(KOTRA) 해외시장뉴스
- 엔팩스(인터넷팩스발송)
- 구글 드라이브(문서도구)
- MS 원드라이브(SkyDrive)
- 네이버 N드라이브
- Box.com (舊 Box.net)
- Dropbox
- 구글 달력
- 모니터/모바일 픽셀 피치 계산
- Intel CPU, 칩셋 정보
- MS윈도우 기본 단축키
- 램디스크
- 초고해상도 관련
- 게임중독
- 표준시각
- 전기요금표/ 한전 사이버지점
- HWP/한컴오피스 뷰어
- 인터넷 속도측정(한국정보화진흥원)
- IT 용어사전
- 우편번호찾기
- 도로명주소 안내, 변환
- TED 강연(네이버, 한글)
- 플라톤아카데미TV
- 세바시
- 명견만리플러스
- 동아사이언스(과학동아)
- 과학동아 라이브러리
- 사이언스타임즈
- 과학잡지 표지 설명기사
- 칸아카데미
- KOCW (한국 오픈 코스웨어) 공개강의
- 네이버 SW 자료실
- 네이버 SW자료실, 기업용 Free
- 계산기
공공데이터베이스
PC Geek's
한솔테크닉스 미니태양광 마이크로인버터 HSPV-K310 설명서 본문
2010년대말쯤에 설치한 미니태양광에 들어가던 인버터다.
표지



설치 구성도, 제품 사양






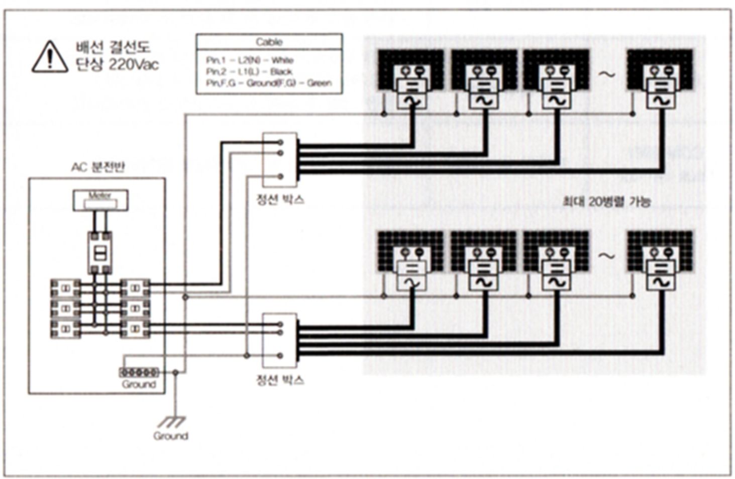
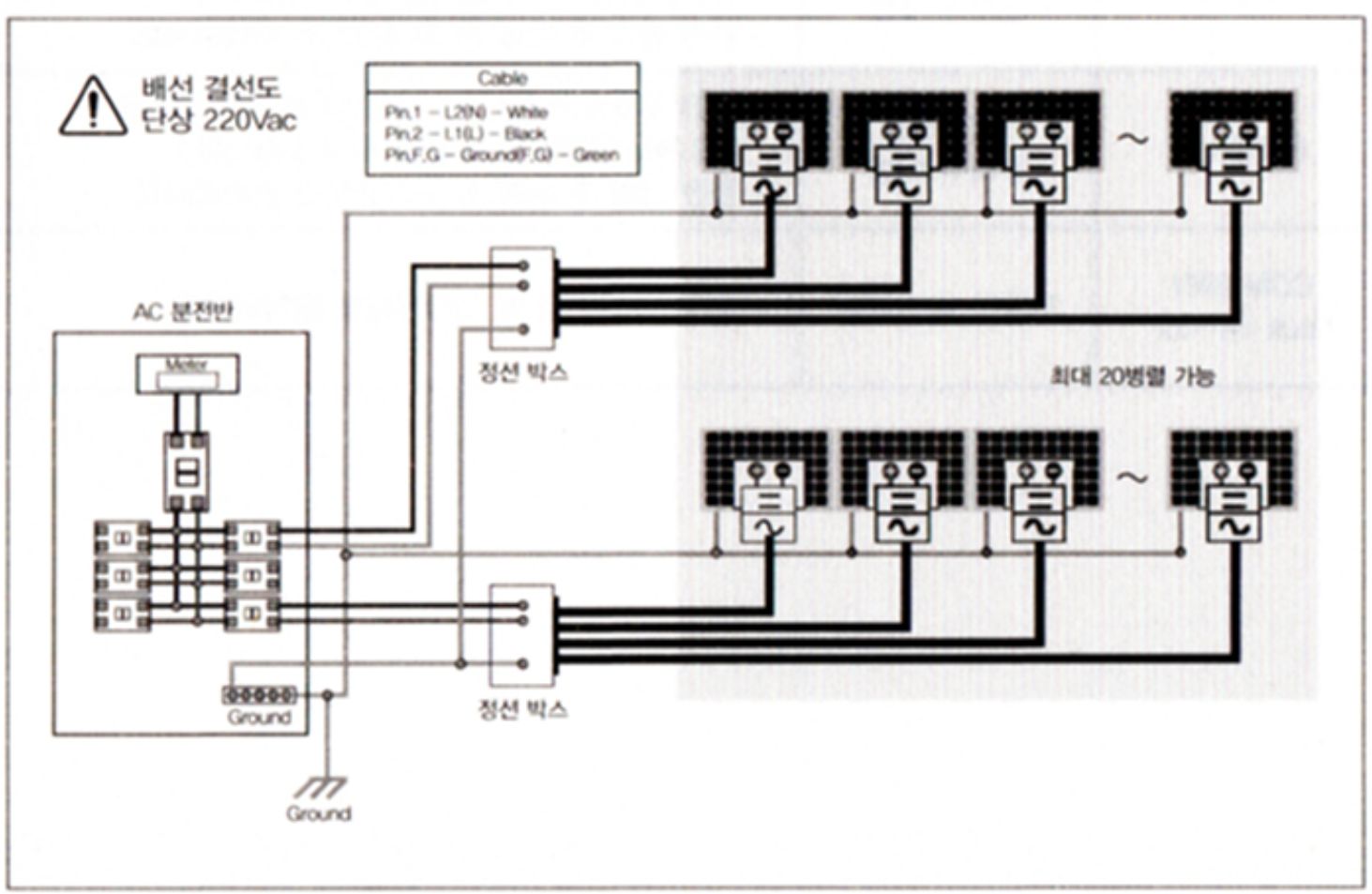
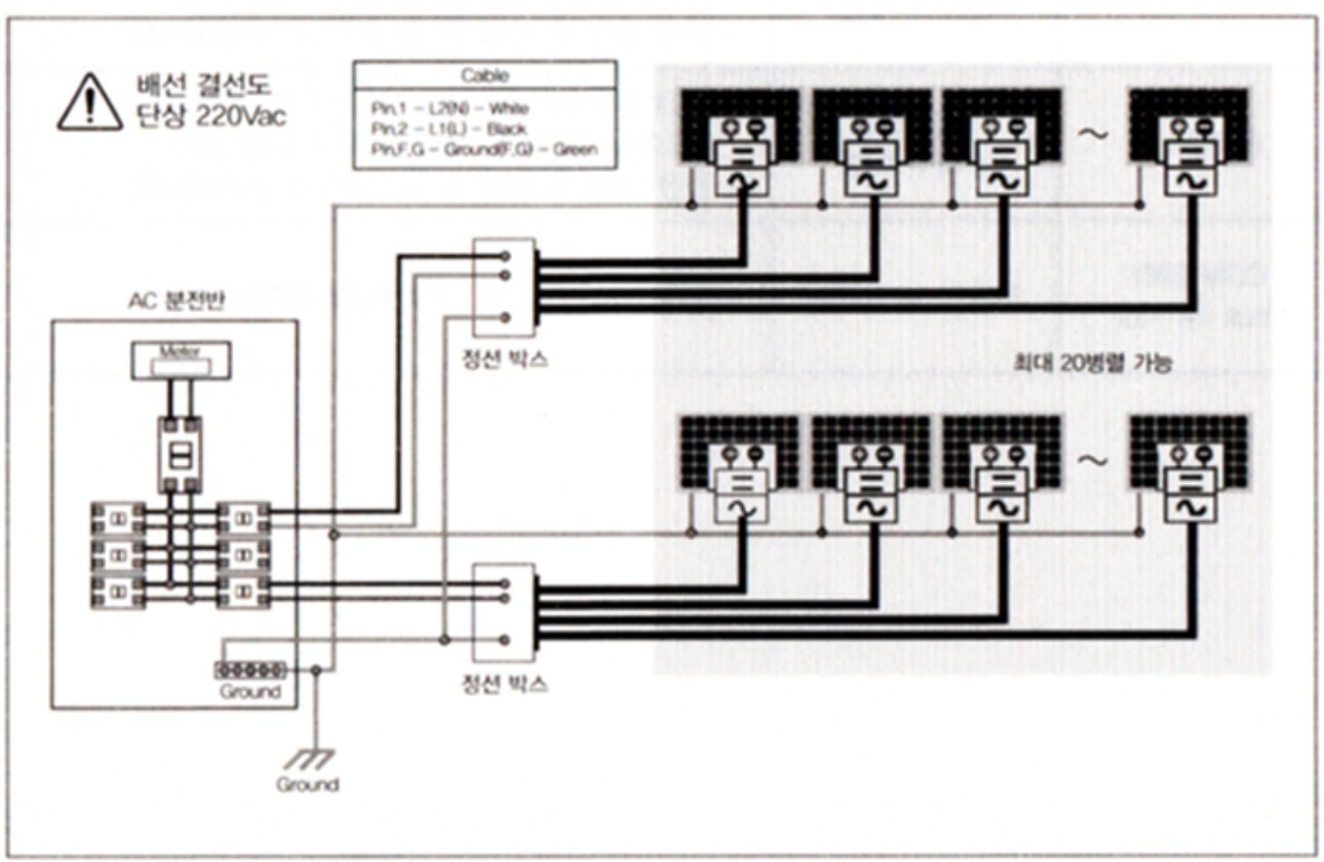
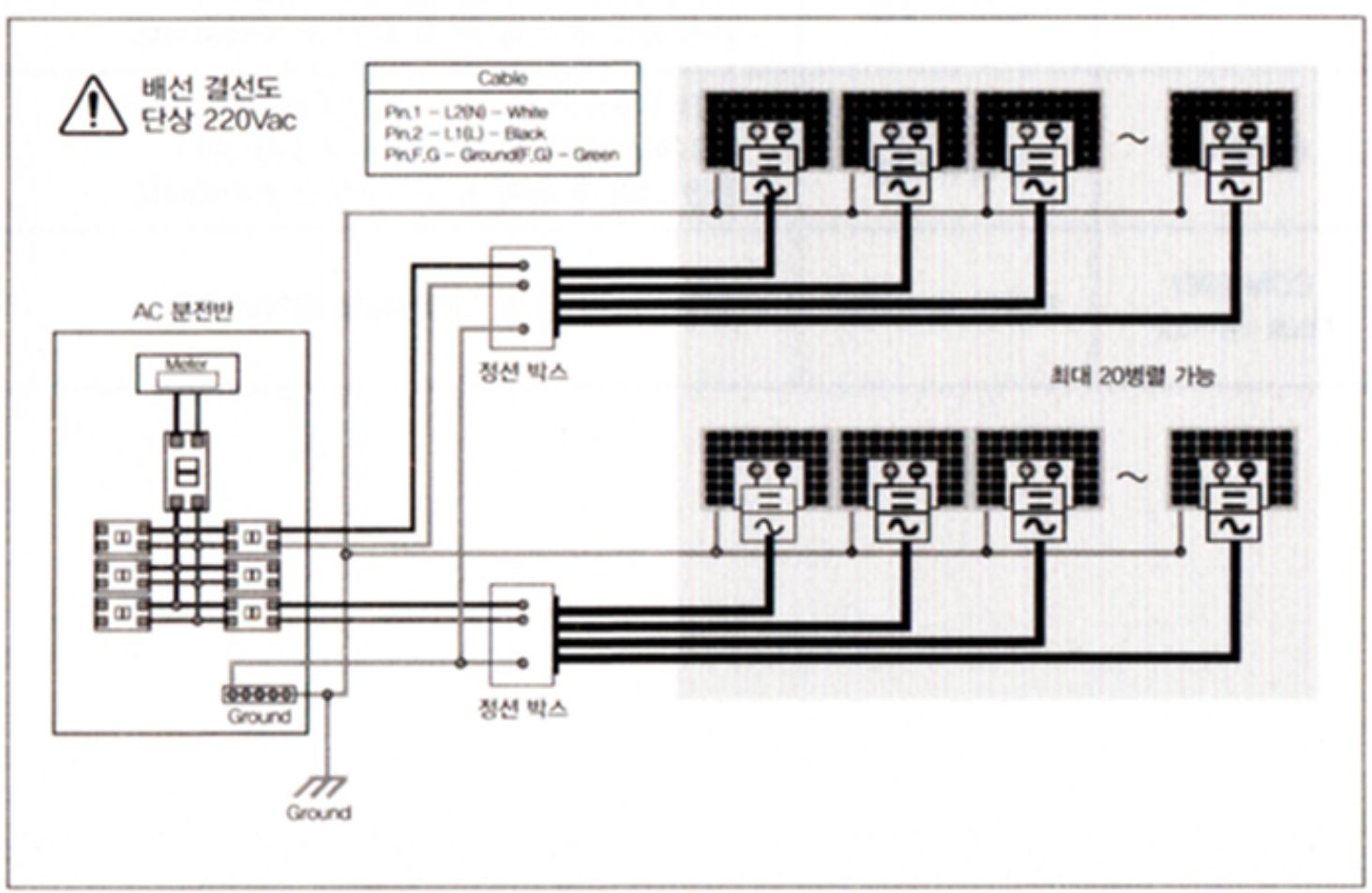
결선도

모듈 연결 및 시운전


LCD창 표시내용, 상태표시 LED

FAULT! 고장 및 에러메시지 종류


문제발생시 개인이 수리할 수 없는 장비임. 개인이 할 수 있는 건 배선 확인, 껐다 켜기 정도.


A/S보증기간은 5년
이지만 보통 그 5년이 지나면, 브랜드불문하고 고장나기 시작하는 게 태양광인버터라는 게 세평

미니태양광 및 태양광 설치시 주의점: 이제 중앙/지방정부가 이쪽 사업을 시작한지도 10년이 지나가니 이런 말해도 되겠지만, 전기공사말고 태양광쪽 업력이 긴 회사가 아니라면, 설치기사는 진짜 지시받은 대로, 설치교육받은 대로밖에 못하는 사람같다. 거기서 +1도 더 못하고 모른다. 지식이 있다고 기대하지 말고 공부할 것.
("~게 해주실 수 있어요?"하고 물어서 해줬는데 그게 기계가 고장나는 원인이 될 수 있다. 기사를 믿고 물어본 것인데 기사도 몰라서 자기 편한 대로 일해서 그래버리면 난감한 일)
'저전력, 전기요금 > 신재생 에너지 - 산업' 카테고리의 다른 글
| 캠핑카 태양광 패널을 직렬 또는 병렬연결해 MPPT컨트롤러에 연결하는 것에 대한 주의점과 금기(유튜브) (0) | 2024.05.29 |
|---|---|
| 미니태양광 (300W, 350W대) 패널 2가지 사양표 (2) | 2024.05.27 |
| 태양광 패널에서 배터리 충전회로까지 가는 PV케이블 굵기를 계산하기 (유튜브) (0) | 2024.05.26 |
| 야당이 끼워넣은 원전리스크. 그리고 여당도 마찬가지로 방치하고 있는 해상풍력 산업육성 (0) | 2024.05.24 |
| ★ 미니태양광 인버터 (0) | 2024.05.10 |
| 선거공보가 왔는데.. (0) | 2024.03.31 |
| 폐플라스틱 재생원료 사용비율 표시제 시행 (0) | 2024.03.29 |
| 쓰레기수거 구독서비스 (기사) (0) | 2023.12.31 |
Comments
|
Viewed Posts
|
|
Recent Posts
|
